SOCMA Grid Güç Kaynağı Elektrikli Ekskavatör
SOCMA HNE80C-EP
Kapasite: 8t
Maks. Alan sayısı Kazma Yarıçapı 6710 (mm)
Maks. Alan sayısı Kazma Derinliği 4190 (mm)
Maks. Alan sayısı Kazma Yüksekliği 5780 (mm)
Maks. Alan sayısı Boşaltma Yüksekliği 4580 (mm)
Maks. Alan sayısı Yerde Kazma Yarıçapı 6655 (mm)
SOCMA HNE80C-EPOyunChanger
Grid Power Electric Excavator'ı Yeniden Tanımlayın!
SOCMA HNE80C-EP Elektrik İnşaat Makinesi mühendisliğinin temeli ve önceliği olarak yüksek güvenliği aldığımız içinElektrik sistemi ve hidrolik sistem için çok yönlü gerçek zamanlı arıza teşhisi ve koruması sağlayan kendi geliştirdiği elektronik kontrol sistemini benimser. Ayrıca ön şarj koruması, yalıtım hatası izleme ve yüksek voltaj kilidi vb. İşlevlerini de entegre eder.
Güvenilir koruma sınıfı, sismik performans ve iyi elektromanyetik uyumluluk (EMC) performansıyla yüksek sismik performansa sahip yüksek voltajlı parçaları (motor kontrolörü, motor, DCDC, yüksek voltajlı klima vb. Dahil) ve yeni enerji için özel korumalı kabloları benimseyin ;SOCMA yükseltmeko güvenlikseviyeelektrikli inşaat makinelerininyeni bir rekora.
Tüm makinenin performansı ve güvenilirliği büyük ölçüde geliştirildi. Hız ve yer değiştirme çift değişkenli yük algılama sistemini benimseyin. Maksimum itici güç% 20'den fazla artırılır, tüm makinenin enerji tüketimi% 30'dan fazla azaltılır ve çalışma verimliliği% 20 artar.Varyararl'in özellikleriow gürültüsıfır emisyon, sıfır kirlilik.
Şebeke güç kaynağı, 39 kullanıcısının pil çalışma süresi konusundaki endişesini ortadan kaldırır. Tüm makinenin enerji tüketimi büyük ölçüde azaltıldı.Daha hassas enerji tüketimi kontrolü elde etmek için ısı yayma gücünü gerçek zamanlı sıcaklığa göre otomatik olarak ayarlamak için akıllı ısı yayma sistemini benimseyin. TTüm makinenin bakım maliyeti büyük ölçüde düşürülmüştür.Yüksek gerilim elektrik sistemi bakım gerektirmez ve düzenli bakıma ihtiyaç duymaz,Böylecebakım maliyetinden tasarruf.
uSOCMA şebeke güç kaynağı ekskavatör yelpazesi, 1,5 tondan 36 tona kadar kapsar.
整机尺寸

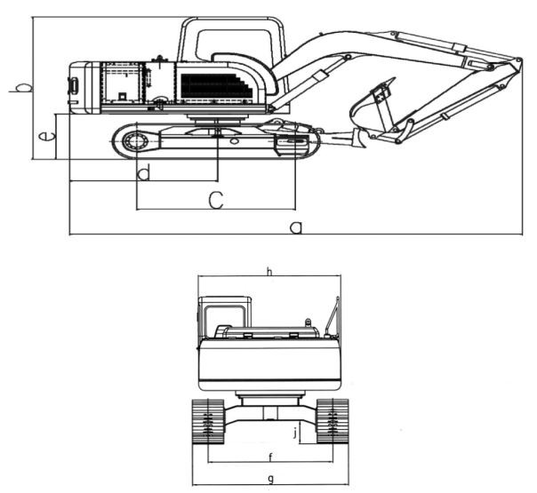
a | 运输长度 | Toplam uzunluk | 5965 (mm) |
b | 运输总高 | Toplam yükseklik | 2604 (mm) |
c | 履带轴距 | Tumbler Mesafesi | 2142 (mm) |
d | 尾部回转半径 | Yarıçap, Dönme Merkezinden Arka Uca | 1950 (mm) |
e | 配重离地高度 | Karşı Ağırlık Yerden Yükseklik | 825 (mm) |
f | 轨距 | Parça Ölçer | 1750 (mm) |
g | 总宽 | Genel Genişlik | 2200 (mm) |
h | 上车宽度 | Üst Yapının Genişliği | 2100 (mm) |
i | 履带板宽度 | Palet Pabucu Genişliği (Standart) | 450 (mm) |
j | 最小离地间隙 | Min.Ground Açıklık | 210 (mm) |
作业范围

A | 最大挖掘半径 | Maks. Alan sayısı Kazma Yarıçapı | 6710 (mm) |
B | 最大挖掘深度 | Maks. Alan sayısı Kazma Derinliği | 4190 (mm) |
C | 最大挖掘高度 | Maks. Alan sayısı Kazma Yüksekliği | 5780 (mm) |
D | 最大卸载高度 | Maks. Alan sayısı Boşaltma Yüksekliği | 4580 (mm) |
E | 地面最大挖掘半径 | Maks. Alan sayısı Yerde Kazma Yarıçapı | 6655 (mm) |
性能参数
整机 | 整机质量 | Yaklaşık ağırlık | 9700 (kg) |
斗容量 | Kova Hacmi | 0.2 (m3) | |
斗容范围 | Kova Hacim Aralığı | 0.1-0.28 (m3) | |
接地比压 | Zemine Basınç | 45 (KPa) | |
行走速度(低、高) | Seyir Hızı (Düşük / Yüksek) | 2.5 / 3.8 km / saat | |
回转速度 | Dönme hızı | 11,5 (rpm) | |
爬坡能力 | Derecelendirilebilirlik | 35 (°) | |
电机 | 型号 | Modeli | HP12517-G202W-R4U4 |
功率 | Güç | 50 (kW) | |
转速 | Sişemek | 2000 (rpm) | |
液压系统 | 工作压力 | İş baskısı | 28 (MPa) |
排量 | Akış | 95CC | |
油箱容量 | Hidrolik Tank Kapasitesi | 180 (L) | |
工作装置 | 动臂长 | Bumba uzunluğu | 3500 (mm) |
斗杆长 | Kol uzunluğu | 1900 (mm) | |
铲斗半径 | Kepçe Yarıçapı | 240 (mm) | |
挖掘力 | 铲斗最大挖掘力 | Maks. Alan sayısı Kova Kazma Kuvveti | 128,5 (kN) |
斗杆最大挖掘力 | Maks. Alan sayısı Kol Kazma Kuvveti | 50 (kN) |
a | Toplam uzunluk | 5965 (mm) |
b | Toplam yükseklik | 2604 (mm) |
c | Tumbler Mesafesi | 2142 (mm) |
d | Yarıçap, Dönme Merkezinden Arka Uca | 1950 (mm) |
e | Karşı Ağırlık Yerden Yükseklik | 825 (mm) |
f | Parça Ölçer | 1750 (mm) |
g | Genel Genişlik | 2200 (mm) |
h | Üst Yapının Genişliği | 2100 (mm) |
i | Palet Pabucu Genişliği (Standart) | 450 (mm) |
j | Min.Ground Açıklık | 210 (mm) |
A | Maks. Alan sayısı Kazma Yarıçapı | 6710 (mm) |
B | Maks. Alan sayısı Kazma Derinliği | 4190 (mm) |
C | Maks. Alan sayısı Kazma Yüksekliği | 5780 (mm) |
D | Maks. Alan sayısı Boşaltma Yüksekliği | 4580 (mm) |
E | Maks. Alan sayısı Yerde Kazma Yarıçapı | 6655 (mm) |
Tüm makine | ||
Yaklaşık ağırlık | 9700 (kg) | |
Kova Hacmi | 0.2 (m3) | |
Kova Hacim Aralığı | 0.1-0.28 (m3) | |
Zemine Basınç | 45 (KPa) | |
Seyir Hızı (Düşük / Yüksek) | 2.5 / 3.8 km / saat | |
Dönme hızı | 11,5 (rpm) | |
Derecelendirilebilirlik | 35 (°) | |
Elektrik motor | ||
Modeli | HP12517-G202W-R4U4 | |
Güç | 50 (kW) | |
Sişemek | 2000 (rpm) | |
Hidrolik sistem | ||
İş baskısı | 28 (MPa) | |
Akış | 95CC | |
Hidrolik Tank Kapasitesi | 180 (L) | |
Çalışma cihazı | ||
Bumba uzunluğu | 3500 (mm) | |
Kol uzunluğu | 1900 (mm) | |
Kepçe Yarıçapı | 240 (mm) | |
Kazma kuvveti | ||
Maks. Alan sayısı Kova Kazma Kuvveti | 128,5 (kN) | |
Maks. Alan sayısı Kol Kazma Kuvveti | 50 (kN) | |
Popüler Etiketler: socma grid power supply elektrikli ekskavatör, Çin, üreticiler, fabrika, özelleştirilmiş
Bunları da sevebilirsiniz
Soruşturma göndermek













